English
Español
Português
русский
Français
日本語
Deutsch
tiếng Việt
Italiano
Nederlands
ภาษาไทย
Polski
한국어
Svenska
magyar
Malay
বাংলা ভাষার
Dansk
Suomi
हिन्दी
Pilipino
Türkçe
Gaeilge
العربية
Indonesia
Norsk
تمل
český
ελληνικά
український
Javanese
فارسی
தமிழ்
తెలుగు
नेपाली
Burmese
български
ລາວ
Latine
Қазақша
Euskal
Azərbaycan
Slovenský jazyk
Македонски
Lietuvos
Eesti Keel
Română
Slovenski
मराठी
Srpski језик
Особенности продукта
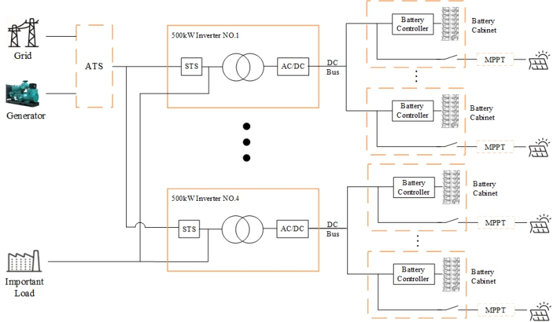
1. При нагрузках, превышающих 500 кВт, рекомендуется использовать одноблочный инвертор для хранения энергии мощностью 500 кВт, который способен поддерживать до четырех наборов параллельных соединений, достигая общей выходной мощности 2 МВт;
2. При параллельной работе нескольких систем мощностью 500 кВт и распределении STSa по различным инверторам мощностью 500 кВт крайне важно обеспечить постоянство длины кабеля от точки соединения сети до точки соединения нагрузки;
3. Гибридная ESS использует фотоэлектрическую интеграцию с постоянным током, обеспечивая высокую эффективность преобразования энергии и оптимизированную для автономных сценариев, когда мощность фотоэлектрической генерации превышает потребность в нагрузке; MPPT для наружного применения
Контроллеры объединяют функции сумматора и MPPT в одном защищенном корпусе. Полная система включает в себя опцию дизель-генератора ATS, гибридный инвертор мощностью 300 кВт, контроллер PV MPPT и батарею.
система хранения энергии.


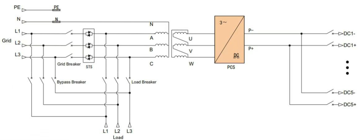
Спецификация
| Модели | П500ТС-400-А | |
|
Параметры стороны постоянного тока |
Диапазон напряжения | 500-950В |
| Максимальный ток | 1128А | |
| Номинальная выходная мощность | 500кВт | |
|
Параметры стороны переменного тока (подключен к сети) |
Максимальная выходная мощность | 550кВт |
| Номинальный выходной ток | 722А | |
| THDi | <3% | |
| Тип сетки | 3W+N+PE | |
| Диапазон напряжения | 360 В переменного тока ~ 440 В переменного тока | |
| Диапазон частот | 45~55Гц/55~65Гц | |
| Коэффициент мощности | -1~1 | |
| Номинальная выходная мощность | 500кВт | |
|
Параметры стороны переменного тока (вне сети) |
Номинальное выходное напряжение | 400В |
| Номинальная выходная частота | 50/60 Гц | |
| КНИ | <1%Линейная нагрузка,<5%Нелинейная нагрузка | |
| Перегрузочная способность | 110%10 минут | |
| Переключатель сервисного байпаса | 1250А | |
|
Выключатель автономной сети и конфигурация коммутатора |
переключатель постоянного тока | 1250А |
| Переключатель нагрузки | 1250А | |
| Переключатель сети | 1250А | |
| подразделение СТС | 1155А/800кВт | |
| Время переключения | <20 мс | |
|
Параметры системы |
Пиковая эффективность | 97,5% |
| Рабочая температура | -30~55℃ (снижение характеристик выше 40℃) | |
| Относительная влажность | От 0 до 95% относительной влажности, без конденсации | |
| Размеры(Д*Д*В) | 1600×1050×2050 мм | |
| Масса | 2700 кг | |
| IPgrade | IP21 IP21 (полная машина) | |
| Шум | <70 дБ | |
| Экран дисплея | ЖК-дисплей | |
| BMS-связь | МОЖЕТ | |
| EMS-связь | TCP/IP | |