Средняя гибридная система

Средняя гибридная система

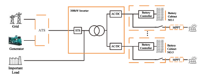
Сетевая и автономная система хранения энергии объединяет фотоэлектрическую (PV) выработку электроэнергии, накопление энергии и интеллектуальное управление. Он может работать как в режиме подключения к сети, так и в автономном режиме, обеспечивая непрерывное и стабильное электропитание.

Отправить запрос

Описание продукта


Особенность

В системе используются модульные инверторные блоки в параллельной конфигурации, где

вход постоянного тока каждого инверторного модуля соответствует отдельному аккумуляторному шкафу,

позволяя управлять кластером, чтобы устранить циркулирующие токи между

шнуры батареи.

Модули питания переменного/постоянного тока поддерживают гибкое развертывание как по количеству, так и по количеству.

номинальная мощность, с максимальной мощностью модулей 60 кВт в параллельном соединении из 5 устройств.

конфигурация.

Выход переменного тока от силовых модулей подается через трансформатор.

изолированный выходной каскад, обеспечивающий питание нагрузки с высокой устойчивостью к

текущий шок.

Гибридная ESS использует фотоэлектрическую интеграцию с постоянным током, обеспечивая высокую

эффективность преобразования энергии и оптимизирована для автономных сценариев с использованием фотоэлектрических систем

генерирующая мощность превышает потребность нагрузки; Контроллеры MPPT для наружного применения

интегрируйте функции сумматора и MPPT в одном защищенном корпусе.

Полная система включает в себя вариант дизель-генератора ATS, гибридный вариант мощностью 300 кВт.

инвертор, PV MPPT-контроллер и аккумуляторная система хранения энергии.



Особенность

В системе используются модульные инверторные блоки в параллельной конфигурации, где

вход постоянного тока каждого инверторного модуля соответствует отдельному аккумуляторному шкафу,

позволяя управлять кластером, чтобы устранить циркулирующие токи между

шнуры батареи.

Модули питания переменного/постоянного тока поддерживают гибкое развертывание как по количеству, так и по количеству.

номинальная мощность, с максимальной мощностью модулей 60 кВт в параллельном соединении из 5 устройств.

конфигурация.

Выход переменного тока от силовых модулей подается через трансформатор.

изолированный выходной каскад, обеспечивающий питание нагрузки с высокой устойчивостью к

текущий шок.

Гибридная ESS использует фотоэлектрическую интеграцию с постоянным током, обеспечивая высокую

эффективность преобразования энергии и оптимизирована для автономных сценариев с использованием фотоэлектрических систем

генерирующая мощность превышает потребность нагрузки; Контроллеры MPPT для наружного применения

интегрируйте функции сумматора и MPPT в одном защищенном корпусе.

Полная система включает в себя вариант дизель-генератора ATS, гибридный вариант мощностью 300 кВт.

инвертор, PV MPPT-контроллер и аккумуляторная система хранения энергии.









Технические характеристики

Модели П200ТС-400-А П250ТС-400-А П300ТС-400-А

Параметры стороны постоянного тока
Диапазон напряжения 650–950 В постоянного тока
Входной переключатель для каждого модуля 250А
Количество каналов постоянного тока 3 пути 4 пути 5 способ

Параметры стороны переменного тока
(подключен к сети)
Номинальная выходная мощность 200кВт 250кВт 300кВт
Максимальная выходная мощность 220кВт 275кВт 330кВт
Номинальный выходной ток 289А 361А 433А
THDi <3%
Тип сетки 3W+N+PE
Диапазон напряжения 360 В ~ 440 В переменного тока
Диапазон частот 45~55Гц/55~65Гц
Коэффициент мощности -1~1

островной
Параметры стороны переменного тока
Номинальная выходная мощность 200кВт 250кВт                      300 кВт
Номинальное выходное напряжение 400 В переменного тока
Номинальная выходная частота 50/60 Гц
КНИ <1% линейный, <5% нелинейный<1% линейный, <5% нелинейный
Перегрузочная способность Перегрузка 110% в течение 10 минут 110% в течение 10 минут

Grid-Islanding
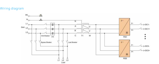
Передаточные и распределительные устройства
Переключатель сервисного байпаса 400А 630А
Сетевые переключатели 630А 800А
Выключатели нагрузки 400А 630А
подразделение СТС 577А/400кВт 722А/500кВт
Время переключения <20 мс

Параметры системы
Пиковая эффективность 97,5%
Рабочая температура -30~55℃-30~55℃(снижение характеристик выше 40℃)
Относительная влажность 0~95% относительной влажности, 0~95% относительной влажности, без конденсации
Размеры(Д*Д*В) 1300×1050×2050 мм
Масса 1400 кг 1700 кг               1 800 кг
IPgrade IP21 IP21(Полный комплект)
Шум <70 дБ
Экран дисплея ЖК-сенсорный экран
BMS-связь МОЖЕТ
EMS-связь TCP/IP


Горячие Теги: Средняя гибридная система
Отправить запрос
Пожалуйста, не стесняйтесь дать свой запрос в форме ниже. Мы ответим вам в течение 24 часов.
X
Мы используем файлы cookie, чтобы предложить вам лучший опыт просмотра, анализировать трафик сайта и персонализировать контент. Используя этот сайт, вы соглашаетесь на использование нами файлов cookie. политика конфиденциальности